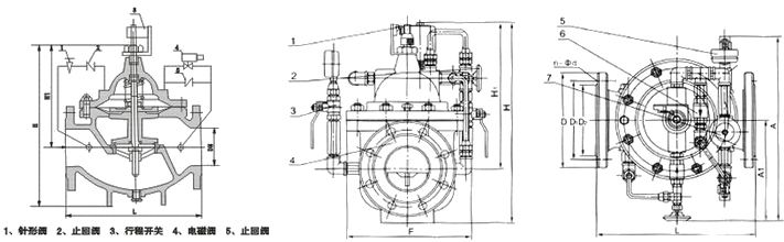
700X 型 PN10~PN25 水泵控制閥安裝于水泵出水口處,在水泵停止運轉前,先行關閉主要閥到90%左右,當水泵停止運轉時,再次關閉剩余的10%,可有效地保護水泵,防止水錘、水擊聲以及水泵倒轉。適用于工礦、企業(yè)、高層建筑中由水泵直接供水及生活用水管網系統(tǒng)
24小時銷售熱線 : 400-055-8820
【型號】:700X
【通經】:DN25-800
【壓力】:1.0-2.5MPa
【溫度】:0℃-80℃
【閥體材質】:鑄鐵、球墨鑄鐵、鑄鋼、不銹鋼
【適用介質】:水
700X 型 PN10~PN25 水泵控制閥安裝于水泵出水口處,在水泵停止運轉前,先行關閉主要閥到90%左右,當水泵停止運轉時,再次關閉剩余的10%,可有效地保護水泵,防止水錘、水擊聲以及水泵倒轉。適用于工礦、企業(yè)、高層建筑中由水泵直接供水及生活用水管網系統(tǒng)

| DN | L | A | A1 | H | H1 | F | D(mm) | D1(mm) | D2(mm) | n-Φd | ||||||||
| mm | mm | mm | mm | mm | mm | mm | PN1.0 | PN1.6 | PN2.5 | PN1.0 | PN1.6 | PN2.5 | PN1.0 | PN1.6 | PN2.5 | PN1.0 | PN1.6 | PN2.5 |
| 20 | 180 | 292 | 136 | 342 | 247 | 116 | 105 | 105 | 105 | 75 | 75 | 75 | 58 | 58 | 56 | 4-13.5 | 4-13.5 | 4-14 |
| 25 | 180 | 292 | 136 | 342 | 247 | 116 | 115 | 115 | 115 | 85 | 85 | 85 | 68 | 68 | 65 | 4-13.5 | 4-13.5 | 4-14 |
| 32 | 180 | 292 | 136 | 342 | 247 | 116 | 140 | 140 | 140 | 100 | 100 | 100 | 78 | 78 | 76 | 4-17.5 | 4-17.5 | 4-18 |
| 40 | 240 | 330 | 155 | 395 | 278 | 170 | 150 | 150 | 150 | 110 | 110 | 112 | 88 | 88 | 84 | 4-17.5 | 4-17.5 | 4-18 |
| 50 | 240 | 330 | 155 | 395 | 278 | 170 | 165 | 165 | 165 | 125 | 125 | 125 | 102 | 102 | 99 | 4-17.5 | 4-17.5 | 4-18 |
| 65 | 250 | 350 | 165 | 405 | 298 | 180 | 185 | 185 | 185 | 145 | 145 | 145 | 122 | 122 | 118 | 4-17.5 | 4-17.5 | 8-18 |
| 80 | 285 | 365 | 175 | 430 | 313 | 210 | 200 | 200 | 200 | 160 | 160 | 160 | 133 | 133 | 132 | 8-17.5 | 8-17.5 | 8-18 |
| 100 | 360 | 410 | 195 | 510 | 350 | 275 | 220 | 220 | 235 | 180 | 180 | 190 | 158 | 158 | 156 | 8-17.5 | 8-17.5 | 8-22 |
| 125 | 400 | 455 | 220 | 560 | 365 | 310 | 250 | 250 | 270 | 210 | 210 | 220 | 184 | 184 | 184 | 8-17.5 | 8-17.5 | 8-26 |
| 150 | 455 | 475 | 230 | 585 | 420 | 355 | 285 | 285 | 300 | 240 | 240 | 250 | 212 | 212 | 211 | 8-22 | 8-22 | 8-26 |
| 200 | 585 | 530 | 255 | 675 | 450 | 460 | 340 | 340 | 360 | 295 | 295 | 310 | 268 | 268 | 274 | 8-22 | 12-22 | 12-26 |
| 250 | 650 | 623 | 300 | 730 | 470 | 500 | 395 | 405 | 425 | 350 | 355 | 370 | 320 | 320 | 330 | 12-22 | 12-26 | 12-30 |
| 300 | 800 | 700 | 340 | 760 | 490 | 580 | 445 | 460 | 485 | 400 | 410 | 430 | 370 | 370 | 389 | 12-22 | 12-26 | 16-30 |
| 350 | 860 | 840 | 415 | 840 | 526 | 640 | 505 | 520 | 555 | 460 | 470 | 490 | 430 | 430 | 448 | 16-22 | 16-26 | 16-33 |
| 400 | 960 | 880 | 430 | 910 | 570 | 715 | 565 | 580 | 620 | 515 | 525 | 550 | 482 | 482 | 503 | 16-26 | 16-30 | 16-36 |
| 450 | 1075 | 930 | 460 | 1030 | 610 | 780 | 615 | 640 | 670 | 565 | 585 | 600 | 532 | 550 | 548 | 20-26 | 20-30 | 20-36 |
| 500 | 1075 | 980 | 490 | 1135 | 665 | 830 | 670 | 715 | 730 | 620 | 650 | 660 | 585 | 585 | 609 | 20-26 | 20-33 | 20-36 |
| 600 | 1230 | 1060 | 530 | 1270 | 725 | 920 | 780 | 840 | 845 | 725 | 770 | 770 | 685 | 685 | 720 | 20-30 | 20-36 | 20-39 |
| 700 | 1650 | 1130 | 560 | 1460 | 865 | 980 | 895 | 910 | 960 | 840 | 840 | 875 | 800 | 800 | 820 | 24-30 | 24-36 | 24-42 |
| 800 | 1750 | 1230 | 610 | 1640 | 975 | 1050 | 1015 | 1025 | 1085 | 950 | 950 | 990 | 905 | 905 | 9285 | 24-33 | 24-39 | 24-4 |
您可以通過400-055-8820直接聯(lián)系我們,或者將您咨詢的產品填入以下表格,我們會在24小時內給您聯(lián)系,美力德竭誠為您服務!